光纤振动传感器 元器件百科 光纤振动传感器优点1.探测距离长2.响应速度快3.灵敏度高4.自身不辐射电磁波5.不受电磁干扰光纤振动传感器工作原理光纤振动传感器其工作原理是发射激光器发出直流单色光波,通过光纤耦合器分别沿正向和反向耦合进入两芯传感的光纤,形成正、反向环路马赫-泽德干涉光信号;当光纤受到沿线外界振动干扰后,将会引起光波在光纤传输中相位的变化,形成基于双环马赫-泽德干涉的光信号相位调制传感信号,通过光纤耦合器和光环 芯城品牌采购网 2025-10-31 16487 光纤传感器
光纤接续 元器件百科 光纤接续分类光纤接续一般可分为两大类:光纤的固定接续(俗称死接头),活动连接(俗称活接头)。活动连接一般是在机房内进行连接,利用光法兰盘把带有连接头的光纤进行连接,该方法灵活方便,操作简单。光纤固定接续是光缆线路施工中较常见的一种方法,其接续方法有熔接法和非熔接法两种。目前,光纤的固定接续大都采用熔接法,这种方法的优点是光纤的接点损耗小,反射损耗大,安全可靠,受外界影响小,最大的缺点是需要价格昂贵 芯城品牌采购网 2025-10-31 11156 光纤
光纤熔接 元器件百科 光纤熔接操作规范操作人员应经过专门训练掌握动作要领和操作规范。首先要清洁切刀和调整切刀位置,切刀的摆放要平稳,切割时,动作要自然、平稳,勿重、勿急,避免断纤、斜角、毛刺、裂痕等不良端面的产生。另外,学会“弹钢琴”,合理分配和使用自己的右手手指,使之与切刀的具体部件相对应、协调,提高切割速度和质量。1)谨防端面污染热缩套管应在剥覆前穿入,严禁在端面制备后穿入。裸纤的清洁、切割和熔接的时间应紧密衔接, 芯城品牌采购网 2025-10-31 13444 光纤
减速器 元器件百科 减速器原理减速机一般用于低转速大扭矩的传动设备,把电动机、内燃机或其它高速运转的动力通过减速机的输入轴上的齿数少的齿轮啮合输出轴上的大齿轮来达到减速的目的,普通的减速机也会有几对相同原理齿轮达到理想的减速效果,大小齿轮的齿数之比,就是传动比。减速器分类减速机是一种相对精密的机械,使用它的目的是降低转速,增加转矩。它的种类繁多,型号各异,不同种类有不同的用途。减速器的种类繁多,按照传动类型可分为齿轮 芯城品牌采购网 2025-10-31 9789 减速器
光纤应变传感器 元器件百科 光纤应变传感器工作原理光纤应变传感器其特征是设有等强度悬臂梁和温度补偿块,梁悬臂顶即端部以内10mm左右有一刀口,用来悬挂静力加载,刀口以内有长度约为80-150mm的矩形梁体,用来传递静力荷载;其后为等强度悬臂梁的有效长度,梁体沿轴向的形状为T形,即一头大一头小,在梁体上表面中轴线标有刻度,用于分布式光纤传感器位置,即安装单模紧套光纤或经过封装后的单模紧套光纤或点式封装的光纤光栅,将待率定的单模 芯城品牌采购网 2025-10-31 14401 光纤传感器
交流电转换器 元器件百科 交流电转换器规范精确度:0.5%ROat23℃±5℃.输入范围:常态电流5A不饱和范围AC0~7.5A;常态电流1A不饱和范围0~1.5A.输入负担:0.3VA/60Hz自激式3VA/60Hz.输入频率:45~70Hzor400Hz.输入过电流:额定AC5A时过电流15A连续;50A10秒/小时;400A0.5秒/小时.输出能力:电流输出:>500Ω在输出20mA时电压输出:DC10mAMa 芯城品牌采购网 2025-10-31 15168 交流电转换器
信号滤波器 元器件百科 信号滤波器原理滤波是信号处理中的一个重要概念。滤波分经典滤波和现代滤波。经典滤波的概念,是根据傅里叶分析和变换提出的一个工程概念。根据高等数学理论,任何一个满足一定条件的信号,都可以被看成是由无限个正弦波叠加而成。换句话说,就是工程信号是不同频率的正弦波线性叠加而成的,组成信号的不同频率的正弦波叫做信号的频率成分或叫做谐波成分。只允许一定频率范围内的信号成分正常通过,而阻止另一部分频率成分通过的电 芯城品牌采购网 2025-10-31 12970 信号滤波器
净化稳压器 元器件百科 净化稳压器优点1.净化稳压器在谐振时由于是工作在饱和状态,所以外来的干扰不会引起饱和电流的变化,于是就将干扰隔离了。2.由于输入电压升高的部分全部加到电容器上,所以允许输入电压转换范围较大。3.由于电路中没有电子元件,所以可靠性较高。净化稳压器缺点1.由于是工作在饱和状态,所以自身功耗大,效率低。2.由于是谐振在市电频率,所以对频率的变化非常敏感,一旦市电频率发生变化,就会造成停振,一旦停振,其储 芯城品牌采购网 2025-10-31 14775 稳压器
压控晶体振荡器 元器件百科 压控晶体振荡器构成及原理压控晶体振荡器主要由石英谐振器、变容二极管和振荡电路组成,其工作原理是通过控制电压来改变变容二极管的电容,从而“牵引”石英谐振器的频率,以达到频率调制的目的。压控晶体振荡器大多用于锁相技术、频率负反馈调制的目的。压控晶体振荡器技术参数1、相位噪声和调制一切振荡器都有一些振幅调制噪声和相位调制噪声。VCXO的相位噪声要受振荡器电路结构和石英晶体的影响。VCXO电源的瞬态过程或 芯城品牌采购网 2025-10-31 12464 晶体振荡器
光纤衰减器 元器件百科 光纤衰减器分类1、可调光纤衰减器光纤衰减器产品概述:光纤衰减器作为一种光无源器件,用于光通信系统当中的调试光功率性能、调试光纤仪表的定标校正,光纤信号衰减。产品使用的是掺有金属离子的衰减光纤制造而成,能把光功率调整到所需要的水平。用途:光纤通信系统,光纤CATV,大功率光器件测量产品特点:单模|多模|固定衰减器|光衰减器|光纤衰减器|衰减器|是由三段金属螺帽组成,内含两个活动FC接头,通过调节:锁 芯城品牌采购网 2025-10-31 15876 光纤衰减器
压控晶振 元器件百科 压控晶振简介随着电子技术日新月异的发展,石英晶体振荡器在各个领域的应用越来越广泛,它不仅大量地应用于通讯、导航、雷达、宇航以及频标时标信号源的整机和设备中,近年来还被广泛地应用于民用消费类产品,如石英钟、电子手表及彩色电视等。压控晶体振荡器是石英晶体振荡器的一种,主要用于调频及锁相技术。具有传输性能好、抗干扰性强、节省功率等优点,因此,许多地面移动通讯设备、机载通讯设备都采用调频制,压控晶体振荡器 芯城品牌采购网 2025-10-31 10909 晶振
压缩式连接器 元器件百科 压缩式连接器英译名compressionconnector压缩式连接器相关解释一种用于将一硬线电缆连接到一设备端口的压缩式连接器主体,其形成于通过一耦合螺帽而彼此耦合的两个部件中。一端口侧部件罩住一导电插脚和相关元件,而一电缆侧部件通过一压缩配合而附着到电缆。通过此配置,当维护设备时,可在不影响电缆与电缆侧部件之间连接的情况下从端口侧部件拆下电缆侧部件和所附着的电缆。随后将端口侧部件从设备端口断开 芯城品牌采购网 2025-10-31 13052 连接器
光线感应器 元器件百科 光线感应器功能光线感应器的功能是用来感应光线强弱的,然后反馈到手持设备,自动调节屏幕亮度,从而达到省电的目的。光线感应器原理光线感应器是由两个组件即投光器及受光器所组成,利用投光器将光线由透镜将之聚焦,经传输而至受光器之透镜,再至接收感应器,接收感应器将收到之光线讯号转变成电信号,此电信讯号更可进一步作各种不同的开关及控制动作,其基本原理即对投光器受光器间之光线做遮蔽之动作所获得的信号加以运用以完 芯城品牌采购网 2025-10-31 11732 光线感应器
光纤终端盒 元器件百科 光纤终端盒产品特征1.提供光缆与配线尾纤的保护性连接2.使光缆金属构件与光缆端壳体绝缘,并能方便地引出接地3.提供光缆终端的安放和余端光纤存储的空间,方便安装操作4.具有足够的抗冲击强度的盒体固定,方便不同使用场合的安装5.可选择挂墙安装或直接放置于槽道等多种安装方式光纤终端盒功能种类光纤终端盒作为光缆线路的终端设备应具有4项基本功能。①固定功能光缆进入机架后,对其外护套和加强芯要进行机械固定,加 芯城品牌采购网 2025-10-31 16470 光纤终端盒
分布式光纤传感器 元器件百科 分布式光纤传感器原理分布式光纤传感系统原理是同时利用光纤作为传感敏感元件和传输信号介质,采用先进的OTDR技术,探测出沿着光纤不同位置的温度和应变的变化,实现真正分布式的测量。MicronOptics温度测量原理是基于Raman散射效应的分布式温度传感系统;应变测量原理是基于Brillouin散射的分布式温度和应变传感系统,它可以同时测量温度和应变。分布式光纤传感器特点①分布式光纤传感系统中的传感 芯城品牌采购网 2025-10-31 10471 光纤传感器
升流器 元器件百科 升流器技术参数1.输入电源:AC:220V-25A,50Hz2.输出电流:AC:i000A.5V或500A.IOV3.输出电流波形失真度:≤5%4.4.1/2LCD数字显示,量程:O~i000A,分辨率:0.1A,精度:±0.5%5.使用环境:温度―10-40~C,相对湿度<80%6.体积:402X232X245mm’7.重量:30Kg升流器主要功能◆采用美观大方的PVC面板◆内置数显电流表 芯城品牌采购网 2025-10-31 15556 升流器
光纤液位传感器 元器件百科 光纤液位传感器原理光纤液位传感器的发光器件射出来的光通过传输光纤送到敏感元件,在敏感元件的球面上,有一部分透过,而其余的光被反射回来。当敏感元件与液体相接触时,与空气接触相比,球面部的光透射量增大,而反射量减少。因此,由反射光量即可知道敏感元件是否接触液体。反射光量决定于敏感元件玻璃的折射率和被测定物质的折射率。被测物质的折射率越大,反射光量越小。来自敏感元件的反射光,通过传输光纤由受光器件的光电 芯城品牌采购网 2025-10-31 16394 光纤传感器
压电压力传感器 元器件百科 压电压力传感器原理某些电介质沿着某一个方向受力而发生机械变形(压缩或伸长)时,其内部将发生极化现象,而在其某些表面上会产生电荷。当外力去掉后,它又会重新回到不带电的状态,此现象称为“压电效应”。压电式压力传感器是利用压电材料的压电效应将被测压力转换为电信号的。由压电材料制成的压电元件受到压力作用时产生的电荷量与作用力之间呈线性关系:Q=kSp式中Q为电荷量;k为压电常数;S为作用面积;p为压力。通 芯城品牌采购网 2025-10-31 12622 传感器
光纤转换器 元器件百科 光纤转换器原理光纤转换器也称为单端口光端机,是针对特殊用户环境而设计的产品,它利用一对光纤进行单E1或单V.35或单10BaseT点到点式的光传输终端设备。该设备作为本地网的中继传输设备,适用于基站的光纤终端传输设备以及租用线路设备。而对于多口的光端机一般会直称作“光端机”,对单端口光端机一般使用于用户端,工作类似常用的广域网专线(电路)联网用的基带MODEM。”。现在在远距离传输信号时,都是采用 芯城品牌采购网 2025-10-31 15834 光纤转换器
分布式直流电源 元器件百科 分布式直流电源功能装置能量转换分布式直流电源在有外电情况下,提供能量给电池充电,并同时提供能量给长期运行的负载;在储能及分合闸操作时,更多的负载能量需求由电池提供。在交流输入失电时,由电池提供全部能量给输出。自动管理分布式直流电源利用单片机对蓄电池进行智能充放电管理,有定时自动均充、自动转浮充功能。随时对装置进行自检,并提供装置本体的蜂鸣器报警及外部报警信号接点输出,并可与上位机通信,可用于有人、 芯城品牌采购网 2025-10-31 15537 直流电源
压电陶瓷材料 元器件百科 压电陶瓷材料基本原理压电效应的原理是,如果对压电材料施加压力,它便会产生电位差(称之为正压电效应),反之施加电压,则产生机械应力(称为逆压电效应)。如果压力是一种高频震动,则产生的就是高频电流。而高频电信号加在压电陶瓷上时,则产生高频声信号(机械震动),这就是我们平常所说的超声波信号。也就是说,压电陶瓷具有机械能与电能之间的转换和逆转换的功能,这种相互对应的关系确实非常有意思。压电材料可以因机械变 芯城品牌采购网 2025-10-31 17961 陶瓷
压电驱动器 元器件百科 压电驱动器分类按驱动方式不同,压电驱动器可分为刚性位移驱动器和谐振位移驱动器。1 刚性位移驱动器刚性位移驱动器的驱动模式主要有多层式驱动器和单(双)晶片驱动器,此外还有Rainbow驱动器、Moonie驱动器和Cymbals驱动器等,几种模式在大小、质量、位移量及负载能力上均各有特点。2 谐振位移驱动器谐振位移驱动器(超声波电机)种类繁多,从毫米级的微型电机到厘米级的小型电机;从单自由度的直线电机 芯城品牌采购网 2025-10-31 14627 驱动器
介质谐振天线 元器件百科 介质谐振天线介绍随着无线通信事业的飞速发展,对于天线的小型化、宽频带、低损耗等性能提出了更高的要求。虽然各种各样的微带天线因其低剖面、轻质量等优点,已经得到了深入的研究和广泛的应用,但由于在高频段金属欧姆损耗高和在低频段天线几何尺寸大这两个关键性技术瓶颈的存在,其发展和应用受到了一定的限制。近年来,一种新型天线――介质谐振器天线由于良好的性能而受到了广泛的关注和研究。介质谐振天线优势介质谐振器早期 芯城品牌采购网 2025-10-31 13717 天线
半导体材料 元器件百科 半导体材料制备不同的半导体器件对半导体材料有不同的形态要求,包括单晶的切片、磨片、抛光片、薄膜等。半导体材料的不同形态要求对应不同的加工工艺。常用的半导体材料制备工艺有提纯、单晶的制备和薄膜外延生长。所有的半导体材料都需要对原料进行提纯,要求的纯度在6个“9”以上,最高达11个“9”以上。提纯的方法分两大类,一类是不改变材料的化学组成进行提纯,称为物理提纯;另一类是把元素先变成化合物进行提纯,再将 芯城品牌采购网 2025-10-31 18194 半导体
光纤温度传感器 元器件百科 光纤温度传感器原理在低温区(400℃以下),辐射信号较弱,系统开启发光二极管(LED)使荧光测温系统工作。发光二极管发射调制的激励光,经聚光镜耦合到Y型光纤的分支端,由Y型光纤并通过光纤耦合器耦合到光纤温度传感头。光纤传感头端部受激励光激发而发射荧光,荧光信号由光纤导出,并通过光纤耦合器从Y型光纤的另一分支端射出,由光电探测器接收。光电探测器输出的光信号经放大后由荧光信号处理系统处理,计算荧光寿命 芯城品牌采购网 2025-10-31 14022 光纤温度传感器
分布式恒流 元器件百科 分布式恒流优缺点优点:1、分布式恒流设计LED产品,有着非常高的产品稳定性。2、保持支路和整体电流稳定,还要能方便控制管理支路和整体线路工作。3、让AC电源部分继续沿用传统开关电源,恒压的供电模式。4、在分布式LED驱动设计中,驱动回搜、色温可调、灰度控制都要变得方便。缺点:开始会增加部分设计成本,产品设计品质与线路设计选择需要权衡。可能成本增加是短暂的,表面的,应该综合考量。分布式恒流节点设置分 芯城品牌采购网 2025-10-31 14090 恒流
压阻压力传感器 元器件百科 压阻压力传感器主要特点1.灵敏度高:硅应变电阻的灵敏因子比金属应变片高50~100倍,故相应的传感器灵敏度很高,一般满量程输出为100mv左右。因此对接口电路无特殊要求,应用成本相应较低。由于它是一种非机械结构传感器,因而分辨率极高,国外称之无限,即主要受限于外界的检测读出仪表限制及噪声干扰限制,一般均可达传感器满量程的十万分之一以下。硅压阻传感器在零点附近的低量程段无死区,且线性优良。2.精度高 芯城品牌采购网 2025-10-31 12548 压阻传感器
光隔离器 元器件百科 光隔离器分类光隔离器的品种很多,按其内部结构可分为块状型、光纤型和波导型。块状型结构属分立元件结构,是指在光路结构中,通过自聚集透镜、偏振器和法拉第旋转器等分立元件,将光纤间接耦合起来。此类器件在技术上已经成熟,现在市场上的隔离器基本上都采用这种结构。其缺点在于所用光学元件多、体积相对较大。光纤型是指在隔离器的光路结构中将光纤端面作适当的加工,如抛光、镀膜等,其他材料的元件则不介入或较少介入光路。 芯城品牌采购网 2025-10-31 15341 隔离器
光纤电流传感器 元器件百科 光纤电流传感器概述光纤电流传感器是一种新型的电流传感器,与电磁式电流互感器相比,基于光学、微电子、微机技术的光纤式电流传感器(OFCT),具有无铁心、绝缘结构简单可靠,体积小、重量轻、线性度好、动态范围大、无饱和现象,输出信号可直接与微机化计量及保护设备接口等优点。这些优点既满足、推动了电力系统的发展,而且应用前景十分广阔。当线偏振光(见光的偏振)在介质中传播时,若在平行于光的传播方向上加一强磁场 芯城品牌采购网 2025-10-31 16788 光纤电流传感器
低噪声放大器 元器件百科 低噪声放大器简介低噪声放大器(lownoiseamplifier)是噪声系数很低的放大器。一般用作各类无线电接收机的高频或中频前置放大器,以及高灵敏度电子探测设备的放大电路。在放大微弱信号的场合,放大器自身的噪声对信号的干扰可能很严重,因此希望减小这种噪声,以提高输出的信噪比。由放大器所引起的信噪比恶化程度通常用噪声系数F来表示。理想放大器的噪声系数F=1(0分贝),其物理意义是输出信噪比等于输入 芯城品牌采购网 2025-10-31 12114 噪声放大器
单电源差动放大器 元器件百科 单电源差动放大器特性1、输出范围:20mV至(VS-0.2)V2、输入共模范围:地电压以下至6×(VS-1V)3、增益:×20,可变范围:×1至×1604、400kΩ差分输入电阻5、精确的中量程失调能力6、提供单极/双极/三极低通滤波7、将1kΩ负载驱动至+4V(VS=+5V)单电源差动放大器技术指标电源电压:+3.0V至+36V反相电压保护:-34V峰值输入电压(40ms):60V内置瞬变尖峰保 芯城品牌采购网 2025-10-31 15527 电源放大器
信号放大器 元器件百科 信号放大器简介使用直放站作为实现“小容量、大覆盖”目标的必要手段之一,主要是由于使用直放站一是在不增加基站数量的前提下保证网络覆盖,二是其造价远远低于有同样效果的微蜂窝系统。直放站是解决通信网络延伸覆盖能力的一种优选方案。它与基站相比有结构简单、投资较少和安装方便等优点,可广泛用于难于覆盖的盲区和弱区,如商场、宾馆、机场、码头、车站、体育馆、娱乐厅、地铁、隧道、高速公路、海岛等各种场所,提高通信质 芯城品牌采购网 2025-10-31 8895 信号放大器
前置放大器 元器件百科 前置放大器概述前置放大器在放大有用信号的同时也将噪声放大,低噪声前置放大器就是使电路的噪声系数达到最小值的前置放大器。对于微弱信号检测仪器或设备,前置放大器是引入噪声的主要部件之一。整个检测系统的噪声系数主要取决于前置放大器的噪声系数。仪器可检测的最小信号也主要取决于前置放大器的噪声。前置放大器一般都是直接与检测信号的传感器相连接,只有在放大器的最佳源电阻等于信号源输出电阻的情况下,才能使电路的噪 芯城品牌采购网 2025-10-31 10717 放大器
单模光缆 元器件百科 单模光缆简介主要是由纤芯、包层和涂敷层构成;纤芯是由高度透明的材料制成的;包层的折射率略小于纤芯,从而造成一种光波导效应,使大部分的电磁场被束缚在纤芯中传输;涂敷层的作用是保护光纤不受水汽的侵蚀和机械的擦伤,同时又增加光纤的柔韧性。在涂敷层外,往往加有塑料外套。按光纤的原材料的下同,光纤可分为以下几种类型:(1)石英系光纤(2)多组份玻璃纤维(3)塑料包层光纤(4)全塑光纤根据光纤横截面上折射率分 芯城品牌采购网 2025-10-31 17544 光缆
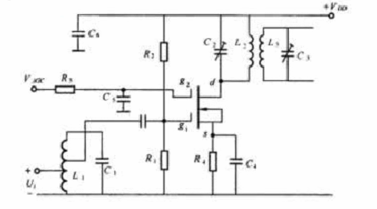
双栅场效应管 元器件百科 双栅场效应管原理双栅场效应管也称为双栅MOS管。它是一个管子中有两个控制极。从结构上来看可以认为是两个单栅场效应管的串联,增加了第二栅极g2,它具有一定的屏蔽作用,使得漏极与第一栅极之间的反馈电容变得很小,如图所示是彩色电视机高频调作用的双栅场效应管高频放大器。双栅场效应管高频放大器从结构上来说可以认为是共源-共栅放大器的形式。值得注意的是栅g2的电压时可以改变场效应管正向传输特性曲线的斜率,从而 芯城品牌采购网 2025-10-31 14241 双栅场效应管
先导式电磁阀 元器件百科 先导式电磁阀简介先导式电磁阀,通电时,依靠电磁力提起阀杆,导阀口打开,此时电磁阀上腔通过先导孔卸压,在主阀芯周围形成上低下高的压差,在压力差的作用下,流体压力推动主阀芯向上移动将主阀口打开;断电时,在弹簧力和主阀芯重力的作用下,阀杆复位,先导孔关闭,主阀芯向下移动,主阀口关闭;电磁阀上腔压力升高,流体压力向主阀芯加压,密封更好。先导式电磁阀参数先导式电磁阀尺寸先导式电磁阀特性先导膜片式结构,低功能 芯城品牌采购网 2025-10-31 9548 电磁阀
双包层光纤激光器 元器件百科 双包层光纤激光器构成双包层光纤激光器是由同心的纤芯,内包层,外包层以及保护层组成,内包层和外包层有同心的圆截面结构,双包层的直径远人于纤芯的r结构如图3所示.纤芯中掺人稀土兀素饵I铆等与单模光纤纤芯一样,具有很大的折射率,其用来传输单模信号光内包层具有和普通光纤的纤芯相同的材料,它的折射率处于纤芯和外包层之问,它用来传输多模泵浦光.外包层的折射率最小.内包层和纤芯构成一个大的纤芯,用来传输泵浦光, 芯城品牌采购网 2025-10-31 10774 光纤激光器
参数交流稳压电源 元器件百科 参数交流稳压电源规格参数交流稳压电源应用广泛应用于各种高精尖电子设备作隔离、抗干扰与高精度稳压电源使用,也很适宜一般电子设备作为高品质稳压供电电源。参数交流稳压电源技术指标抗干扰能力输入迭加2KV/1ms尖峰脉冲时,输出小于30V过压保护输出无过压出现短路保护输出或负载短路时,输出电压自动降为零,故障排除后恢复正常工作。功率因素>0.95尖峰吸收输入叠加2KV/1ms脉冲,输出≤30V绝缘等 芯城品牌采购网 2025-10-31 14189 交流稳压电源
分量分配器 元器件百科 分量分配器特性・350M带宽,直流型放大驱动;・能完美地和国内外各种品牌的DVD及电视机搭配使用,保证能在多电视机同时播放高清晰三色差分量信号;・兼容DVD逐行扫描分量信号Y、Pb、Pr和隔行扫描分量信号Y、Cb、Cr;・采用精良的线路设计,及合理的信号分配,加上多级放大电路,使图像及色彩更清晰;・逐行扫描,支持480i,480p,720i,720p,1080i,1080p等高清格式及多种同步方式 芯城品牌采购网 2025-10-31 11308 分配器
双位置继电器 元器件百科 双位置继电器电磁式当合闸线圈通电时,衔铁克服弹片的反作用力而动作,此时信号牌为红色。当合闸线圈断电时,由于弹片作用,使衔铁仍处于合闸位置。只有跳闸线圈通电时,衔铁克服了弹片的反作用力而被吸向跳闸位置,此时信号牌为绿色。当跳闸线圈断电时,由于弹片的限制,衔铁仍然处于跳闸位置。因此实现了闭锁的目的。工作环境1.大气压力:80~110kPa;2.空气相对湿度不大于90%(25℃);3.周围介质温度:-2 芯城品牌采购网 2025-10-31 16815 继电器
分路器 元器件百科 分路器定义通用非对称数字用户线(UADSL)的工作原理是加大电话通道和上行数据频带之间的保护带,免去需要在用户端安装的分路器,所以又可以叫做无分路器ADSL。分路器是用来使电话通道与数据通道分离的装置,免去了分路器就可以使用户在装用ADSI时,不需要有专门技术人员来装设分路器,只需要购买一个“非剩称数字用户线调制解调器”(ADSLMODEM),即插即用,和普通用的电话拨号调制解调器一样的简单方便, 芯城品牌采购网 2025-10-31 13281 分路器
单向可控硅 元器件百科 单向可控硅原理可控硅导通条件:一是可控硅阳极与阴极间必须加正向电压,二是控制极也要加正向电压。以上两个条件必须同时具备,可控硅才会处于导通状态。另外,可控硅一旦导通后,即使降低控制极电压或去掉控制极电压,可控硅仍然导通。可控硅关断条件:降低或去掉加在可控硅阳极至阴极之间的正向电压,使阳极电流小于最小维持电流以下。单向可控硅区别双向可控硅具有两个方向轮流导通、关断的特性。双向可控硅实质上是两个反并联 芯城品牌采购网 2025-10-31 15939 硅